
Shenzhen Just Motion Control electromechanics co., ltd
0755-26509689
NOTE:When using a 24V signal, connect the 24V port
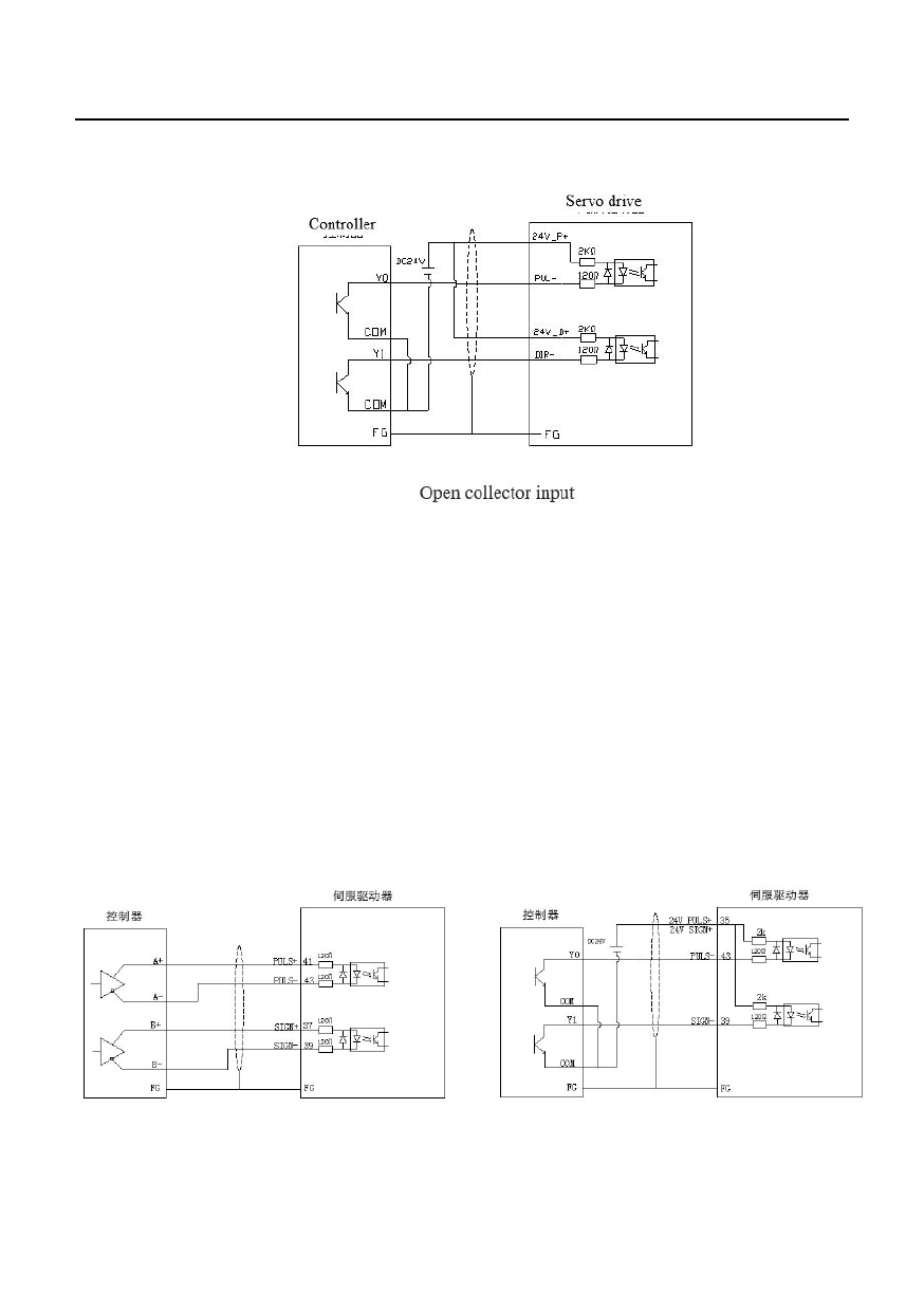
The pulse command input can accept both differential signal inputs and open collector inputs. The differential signal
input receives a maximum frequency of 500K and the open collector input receives a maximum frequency of 200K.
6.1.3JAND-DB44 Position Control Wiring Diagram
Description of differential signal mode at controller end: Direction + pulse input is divided into: 5V, 24V signal
input mode, using twisted pair connection, can improve anti-interference ability. In general, the single-chip
controller system uses this position control wiring method. The maximum input pulse frequency for this type of
control is 500KHz
Differential signal input
46
open-collector input



















































































































































































































