
Shenzhen Just Motion Control electromechanics co., ltd
0755-26509689
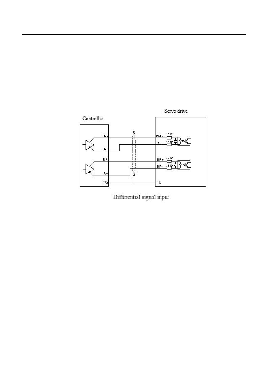
6.1.2 JAND-P28 Position Control Wiring Diagram
Position control commands are commonly differential signals, open-collector signals. It is recommended to use
twisted pair shielded wire for position signal connection line to improve anti-interference ability. In general, the
single-chip controller system uses this position control wiring method. The maximum input pulse frequency for this
type of control is 500KHz
Description of open collector input mode at controller end: The single-ended input mode can use either the power
supply provided inside the drive or an external power supply. However, do not use dual power inputs to avoid
damage to the drive. Under normal circumstances, PLC controller systems use this position control wiring method
45



















































































































































































































