
第十章 时序图
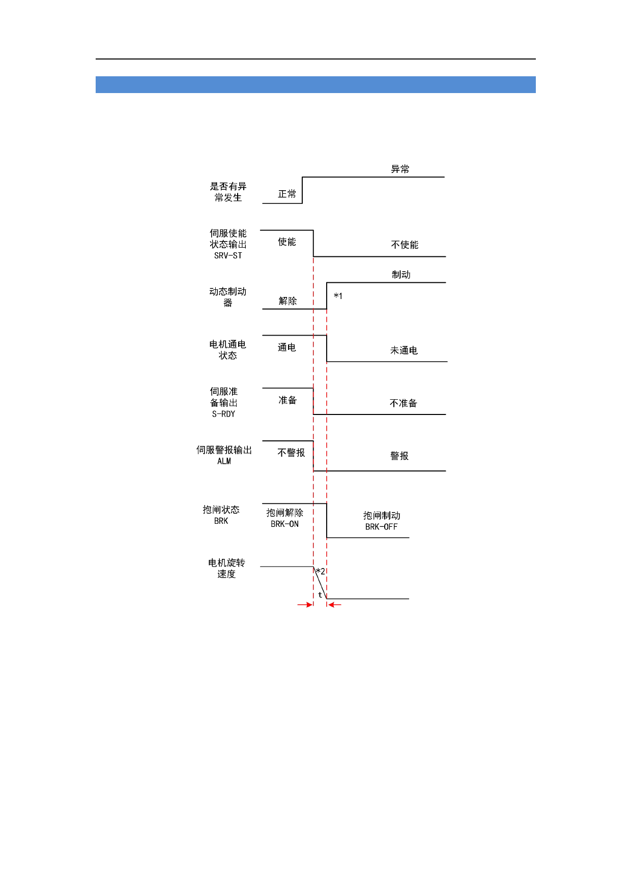
异常(报警)发生时停机时序图
伺服制动方式停机,停止后状态为动态制动状态
报警发生时停机时序 1
* 1.停止后状态依照 PA5.10「伺服报警停机时序模式」的设定值决定。
* 2.伺服制动方式停机根据 PA5.10「伺服报警停机时序模式」的设定值决定,以 PA5.11
「伺服制动转矩设定」设定的值作为反向制动转矩使电机减速。减速时间 t 由 PA6.14 时间
和电机转速降至 PA4.39 速度花费时间先到达的一方决定。时间 t 到达后,开启动态制动,
同时抱闸信号 BRK 置 OFF(开始抱闸制动。驱动器虽将 BRK 置 OFF,实际有无抱闸制动动作
取决于电机是否带抱闸)。
326


































































































