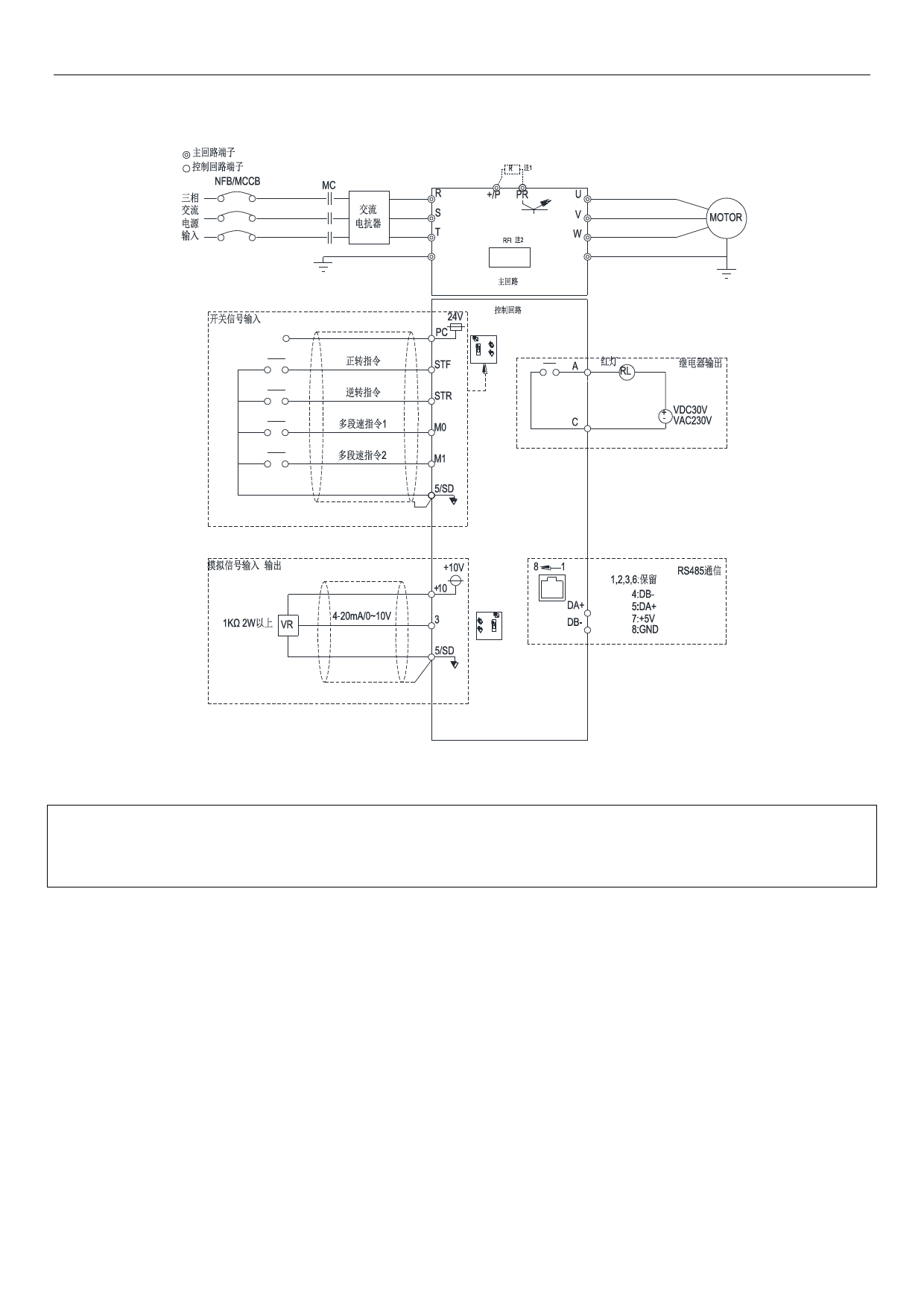
3.7 端子配线
ON:Defaut Screw
OFF:Remove Screw
SINK
SOURCE
端子配线
AVI
ACI
注:1SC3-043-0.4K~1.5KSC3-023-0.2~1.5KSC3-021-0.2~0.75K 没有+/P PR 端子。
2:全系列内置 RFI 滤波器以抑制电磁干扰,但如需符合 CE 规范,请参考操作手册中相关说明进行安装。
变频器介绍 26
    "