
EM730 系列变频器用户手册
第 7 章 电机参数自辨识
7.1 电机参数自辨识
驱动方式选择矢量控制时,必须进行电机参数自辨识。非矢量控制,为了获得
更高的控制精度,仍建议在首次运行时进行参数自辨识。
矢量控制时运算所需要的电机参数,用户一般不易得到。EM730 系列变频器提供
电机参数自辨识功能,启用自辨识功能后,变频器自动测试所接电机的相关参数并
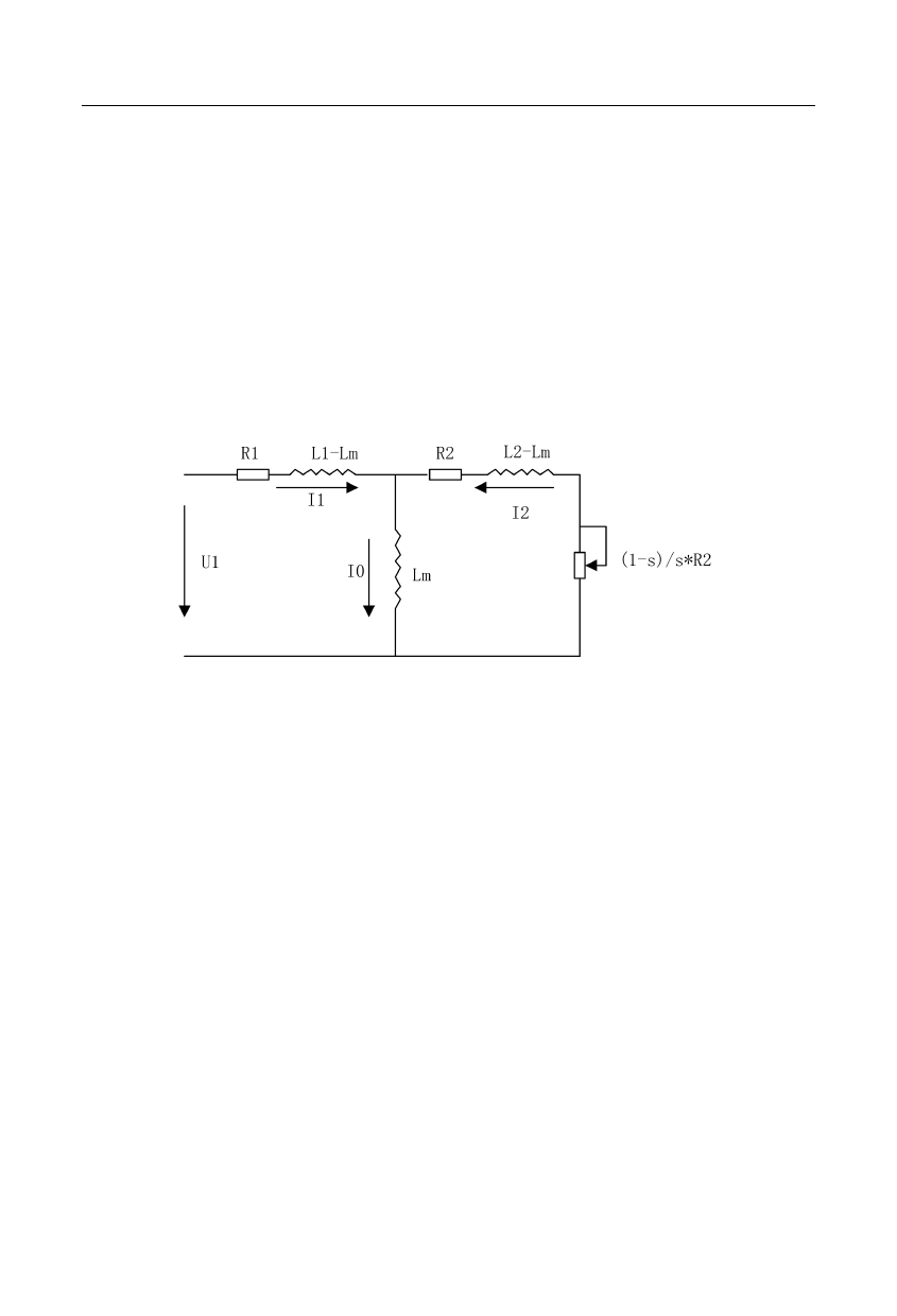
存入内部存储器。图 8- 18 为三相异步电动机电机参数的具体含义。
图 8- 18 三相异步电动机等效电路
图中的 R1、R2、L1、L2、Lm、I0 分别代表:定子电阻、转子电阻、定子自感、
转子自感、互感、空载励磁电流;漏感为 Ls=L-Lm。
7.2 自辨识前的注意事项
电机参数自辨识是自动测算电机参数的过程,EM730 系列变频器可进行电机静止
自辨识和电机旋转自辨识。
电机静止自辨识适合在电机负载无法卸载情况下使用,仍可获得电机参数;
电机旋转自辨识适合在电机负载可卸载情况下使用,操作前应将电机轴脱
离负载,禁止电机带负载进行旋转自辨识操作。
在自辨识操作前应确保电机处于停止状态,否则自辨识不能正常进行。
自辨识操作只能在键盘控制时有效(即 F00.02=0)。
为保证电机参数自辨识正常进行,应正确设置被控电机的铭牌参数(F01.00 电
机类型、F01.01 电机额定功率、F01.02 电机额定电压、F01.03 电机额定电流、
F01.04 电机额定频率、F01.05 电机额定转速、F01.06 电机绕组接法、F01.07
263








