- You are here:
- AM.CO.ZABuythisCNC Utilities Homepage
- LabelMark-Laser-Marking-Machine
- LabelMark Marking Software Manual, v2.8.pdf
- Page 127 of 154

EzCad2UNI User’s Manual
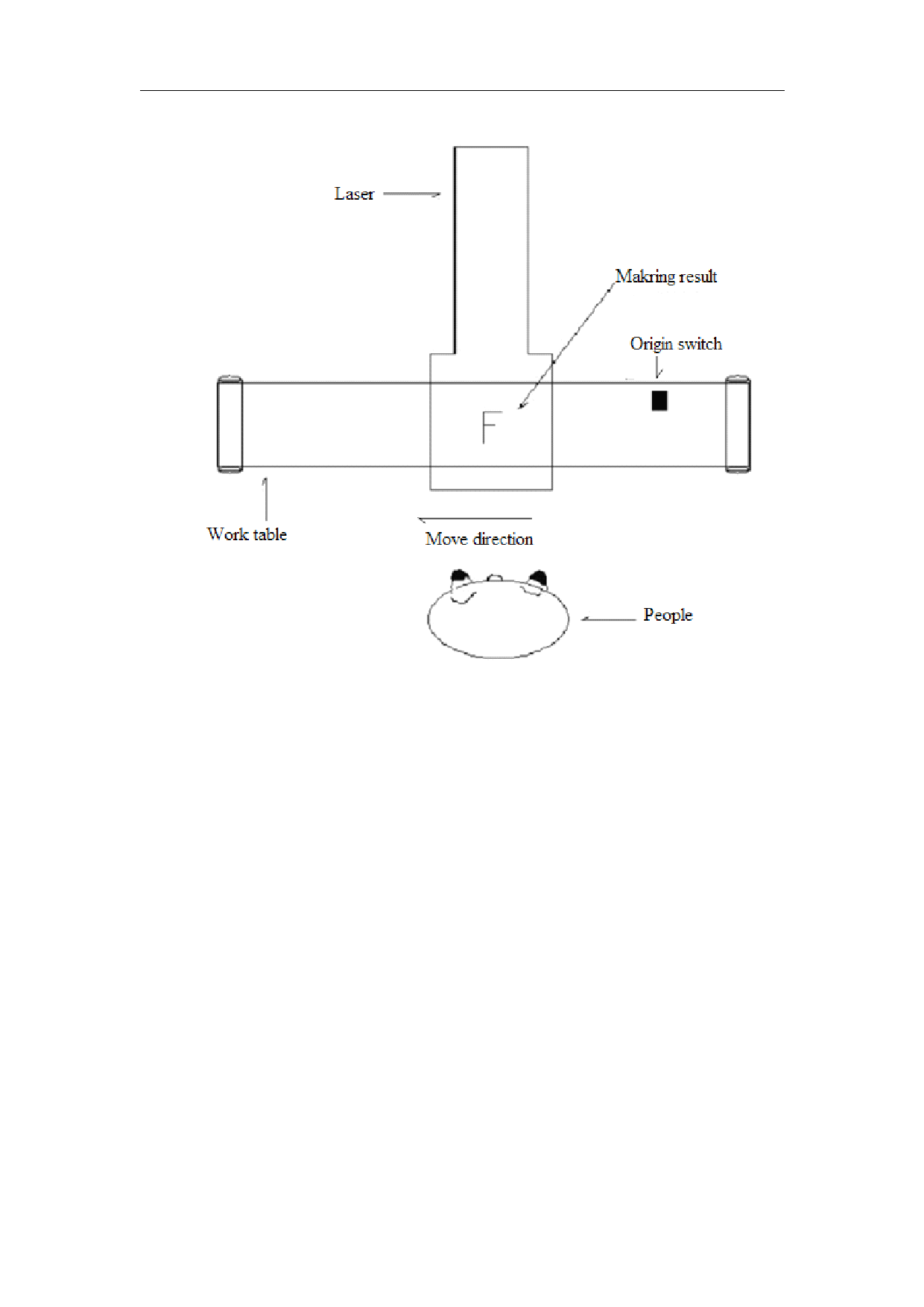
Fig 2
Move direction is from right to left, origin switch is on right side, effective
moving distance is 200mm, so Min coor is 0, Max coor is 200.
If the origin point is in other position, please consider it accordingly.
Min speed: the minimum rotary speed of expansion axis.
Max speed: the maximum rotary speed of expansion axis.
Acc. time: Acceleration time needed when expansion axis moves from minimum speed to
maximum speed.
Go to start position after finished: The expansion axis will go back to the initial position
after finishing marker.
Speed:The speed of the axis going back to the initial position after finishing marker.
Rotation axis: Select it, it's indicates that current expansion axis is rotation axis. Moving
manner is rotation; otherwise, it indicates flat content processing or Z axis locating process.
Gear ratio: Electric motor connecting axis, the reducing ratio is one. If there are reducing
setup, the reducing ratio is reducing setup ratio.
Part diameter: The workpiece need to mark currently. If expansion axis is rotation axis, part
diameter, an important parameter to count move distance, must fill in accurately.
Zero: Whether current expansion axis has zero signal. When expansion axis hasn't enabled
zero signal, it can’t set up an absolute coordinates. Therefore, marking a set of parts require
adjusting site to make every processing stay in the same site. So, the system takes expansion axis
123
reserved
All rights








