
115
77,5
37,5
90
NUT 3407A0143
SUPPLIED
ATTACCO PINZA ER25
DIN 6499
29 ±0,1
173
A
M6-6H N°4 BORES
THREAD DEPTH = 6 mm
4000
3500
3000
2500
2000
1500
1000
500
0
0
100
200
fre q. [Hz]
P [W] C [Nm]
2,00
1,75
1,50
1,25
1,00
0,75
0,50
0,25
0,00
300
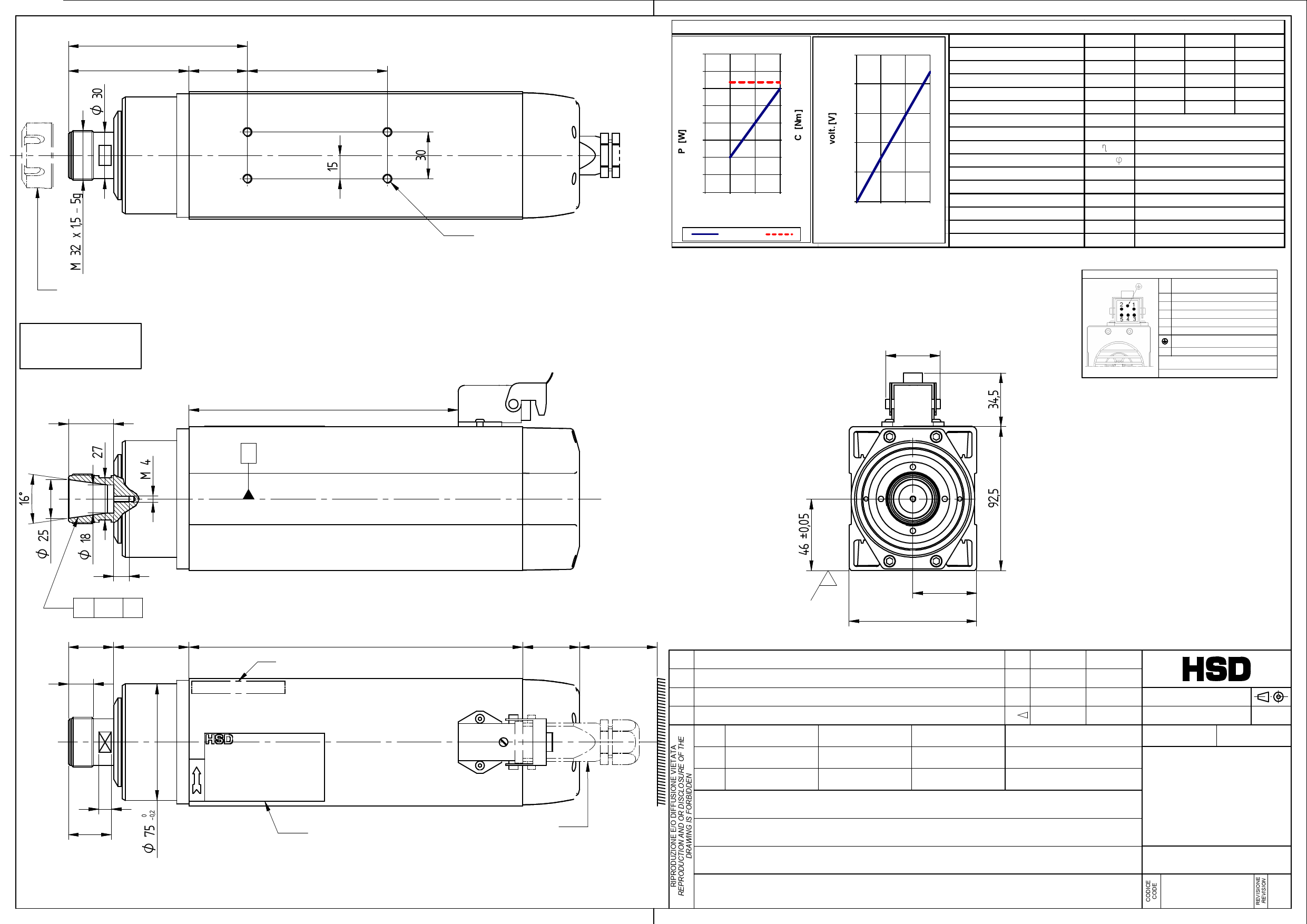
DATI MOTORE E CURVE CARATTERISTICHE / PERFORM ANCES A ND M OTOR RA TINGS
T ens io ne / Vo ltage
V ±10 %
220
250
P o t e nza re sa / Output P o wer
kW
3 (3,6)
C o rrent e no m . / Current
A
12,5 (15)
200
F reque nza / Frequency
Hz
300
rpm
rpm
18000
C o ppia no m . / To rque
Nm
1,6 (1,9)
150
C us c ine tt o A nt. / Fro nt B earing
ceramici
C us c ine tt o P o st . / P ost. B earing
100
R endim ent o / Efficiency
radiale
0,75
F at t o re di po t enza / P o wer facto r
cos
0,77
50
N um ero di po li / P oles
2
T ipo di se rvizio / Service type
0
C las se di is o la m . / Insulatio n class
0
100
200
300
R af f redda m ent o / Co oling
freq. [Hz]
P es o / Weight
Kg
G rado IP / Type of P ro tection
IP
S1 (S6 40%)
F
Aria forzata
8
50
35
= =
CONNESSIONI ELETTRICHE / ELECTRIC CONNECTIONS
Nr .
Descrizione / Description
Pin
1 U Fase / Motor phase
2 V Fase / Motor phase
3 W Fase / Motor phase
4 ** Bimetallo / Bi-metallic
5 ** Bimetallo / Bi-metallic
Terra elettromandrino / Earth connection
** Vedi "Manuale istruzioni ed avvertenze per
l'uso" per le caratteristiche tecniche
** See "User's guide" for technical informations
10
^ 0,010 A
29
48,5
16
8
27,5
214,5
SERIAL NUMBER
MOTOR PLATE
36,5
FEMALE CONNECTOR
SUPPLIED
MIN 50
1,6
41
82
P0 Prima emissione prototipale /First prototype emission
17/10/2018
0 First Production submission
03/12/2018
FIRMA /
SIGN:
M. Bugari
REV.
DESCRIZIONE REVISIONE / REVISION DESCRIPTION
N°
PESO /
DISEGNATO / DRAWN BY CONTROLLATO / CHECKED BY APPROVATO / APPROVED BY WEIGHT :
N° CR
STATO /
DATA / DATE STATUS:
8,584 kg
SCALA /
SCALE :
Production A3
1:2 1 / 1 FOGLIO /
SHEET :
DATA
DATE
FIRMA
SIGN
MATERIALE /
MATERIAL:
03/10/2018
M. Bugari
17/10/2018
M. Bugari
03/12/2018
G. Grosso
GREZZO DA /
RAW BY :
COD. GREZZO /
RAW CODE :
QUOTE SENZA INDICAZIONE DI TOLLERANZA
DIMENSIONS WITHOUT TOLERANCE INDICATIONS
- LAVORAZIONI MECCANICHE /
MACHININGS :
- SALDOCARPENTERIE /
WELDED STRUCTURES :
TRATTAMENTO
TERMICO /
HEAT TREATMENT:
- GETTI - ESTRUSI - STAMPATI /
CASTINGS - EXTRUDED -MOULDED :
RIVESTIMENTO
SUPERFICIALE /
SURFACE
TREATMENT :
CICLO DI
VERNICIATURA /
PAINTING CYCLE :
DENOMINAZIONE /
DESCRIPTION: ELETTROMANDRINO MT1073-120-ER25-220V-DX-18/18000-3KW S1-AL
H6162H0163
0
