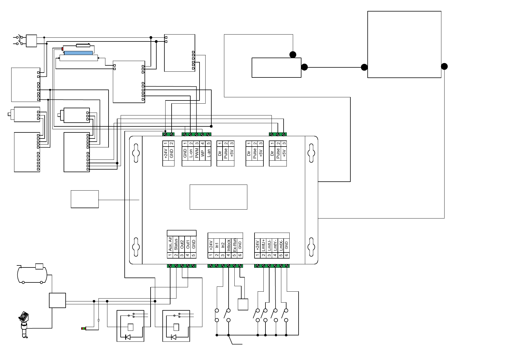
L
220V AC
N
Filter
220V AC(L)
220V AC(N)
DC36V
0V
0V
0V
+36V
+36V
+36V
W
Moter-Y
V
U
Driver
Moter
Y
U
V
W
+V
GND
ENA-
ENA+
DIR-
DIR+
PLS-
PLS+
Water protect Switch
Water chiller
Laser CO2
W
Moter-X
V
U
Driver
Moter
X
U
V
W
+V
GND
ENA-
ENA+
DIR-
DIR+
PLS-
PLS+
panel
Cathode
Anode
AC220-
AC220+
GND
Laser
Power
5V
IN
GND
WP
TL
TH
220V AC(L)
220V AC(N)
24V
0V
0V
0V
+24V
+24V
+24V
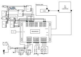
Ethemet cable
router
POWER
LASER
AXIS U
AXIS Y AXIS X
Ethernet
HM1
RDC6432G
Udisk
PC-USB
Compressor
↓Air
solenoid
Connect the
air compressor
Work status Lamp
Current
limiting
NO
COM
NC
relay
NO
COM
NC
relay
Foot
switch
Cover opening
protection
External
injection
X,Y,U
Limit switch
PC
com
LaserWorks
